PREVIOUS
INDEX
NEXT



 
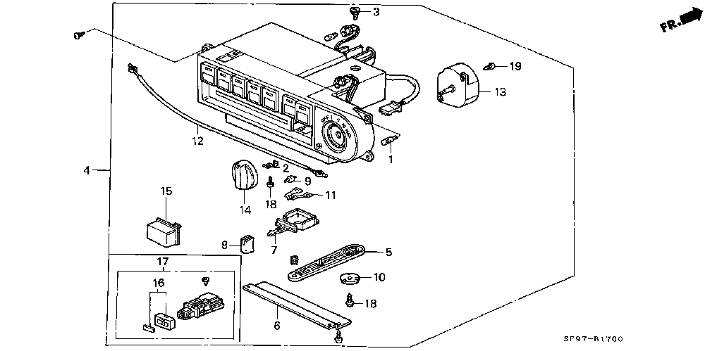
 1  BULB
 2  CLAMP, CONTROL CABLE
 3  BULB, NEO WEDGE (T4.7)
 4  CONTROL ASSY., HEATER
 5  LEVER, TEMPERATURE CONTROL
 6  PLATE, SLIDER
 7  LEVER, SLIDE CONTROL
 8  KNOB, TEMPERATURE CONTROL
 9  LEVER, ROLLER
10  PLATE, CONTROL LEVER
11  SPRING, CONTROL LEVER
12  CABLE, TEMPERATURE CONTROL
13  SWITCH ASSY., HEATER FAN
14  KNOB, FAN SWITCH
15  LID, AIR CONDITIONER SWITCH
18  SCREW, TAPPING, 4X12
19  SCREW, TAPPING, 3X10