PREVIOUS
INDEX
NEXT



 
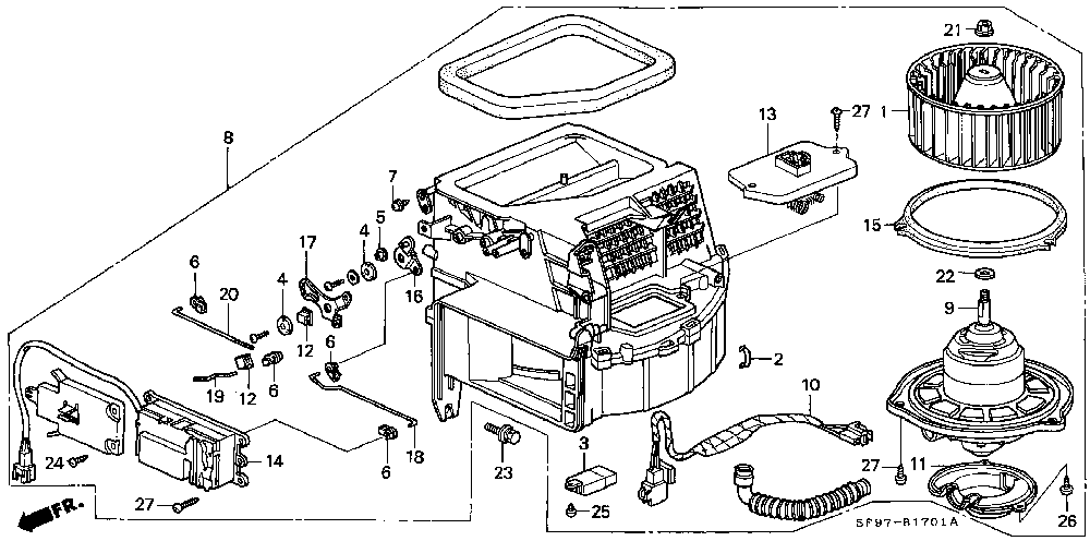
 1  FAN, HEATER
 2  CLAMP, CASE HOLD
 3  RELAY ASSY., POWER (4P) (DENSO) (056700-7330)
 4  WASHER, LINK
 5  BUSH (6.7MM)
 6  HOLDER, ROD
 7  SCREW-WASHER, 3X8
 8  BLOWER ASSY.
 9  MOTOR ASSY.
10  SUB HARNESS, BLOWER
11  COVER, MOTOR
12  ADJUSTER, ROD
13  RESISTOR, BLOWER
14  MOTOR ASSY., FRESH & RECIRCULAR
15  PACKING
16  LEVER
17  PLATE
18  ROD, FRESH & RECIRCULAR MAIN
19  ROD B, FRESH & RECIRCULAR
20  ROD B, FRESH & RECIRCULAR
21  NUT, FLANGE, 5MM
22  WASHER, SPECIAL
23  BOLT-WASHER, 6X16
24  SCREW, TAPPING, 4X12
25  SCREW, TAPPING, 5X12
26  SCREW, TAPPING, 4X8
27  SCREW, TAPPING, 5X16