INDEX
NEXT



 
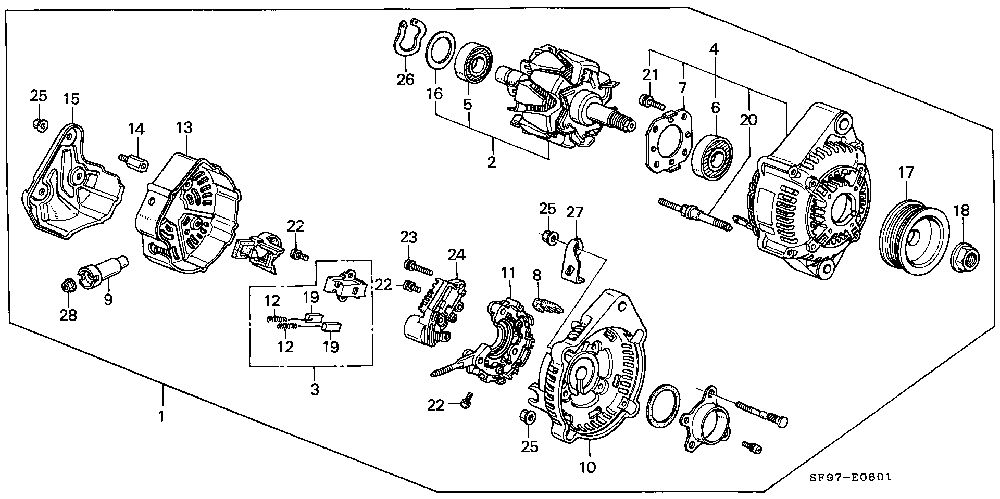
 1  ALTERNATOR ASSY. (CJN85) (DENSO)
 2  ROTOR ASSY., ALTERNATOR
 3  HOLDER ASSY., ALTERNATOR BRUSH
 4  FRAME ASSY., DRIVE END
 5  BEARING, RR. GENERATOR
 6  BEARING, FR.
 7  PLATE, RETAINER
 8  BUSH, INSULATION
 9  BUSH, INSULATION
10  FRAME, RR. END
11  RECTIFIER ASSY.
12  SPRING, BRUSH
13  COVER, RR. END
14  COLLAR, ADJUSTING
15  COVER, RR. END
16  COVER, BEARING
17  PULLEY
18  NUT, PULLEY LOCK
19  BRUSH
20  BOLT, STUD, 6X68
21  SCREW-WASHER, 4X19
22  SCREW-WASHER, 4X6
23  SCREW-WASHER, 4X25
24  REGULATOR ASSY.
25  NUT-WASHER, 5MM
26  WASHER
27  CLIP, CORD
28  NUT, HEX., 6MM