PREVIOUS
INDEX
NEXT



 
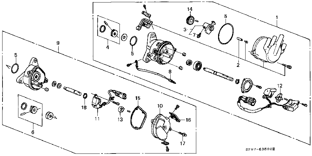
 1  DISTRIBUTOR ASSY. (TD-02P) (TEC)
 2  CAP ASSY.
 3  HEAD, ROTOR
 4  O-RING, 26.4X3.1 (TEC)
 5  O-RING, CAP
 6  COUPLING SET (TEC)
 7  SCREW-WASHER, 5X10
 8  CORD ASSY., EARTH
 9  SENSOR ASSY., CYLINDER (TS-03C) (TEC)
10  CAP
11  GENERATOR ASSY., PULSE
12  ROTOR, TDC (4)
13  ROTOR, CYLINDER
14  ROTOR, CRANK (24)
15  SEAL, CAP PLATE
16  CLAMP, COUPLER
17  BOLT-WASHER, 4X12
18  C-RING