PREVIOUS
INDEX
NEXT



 
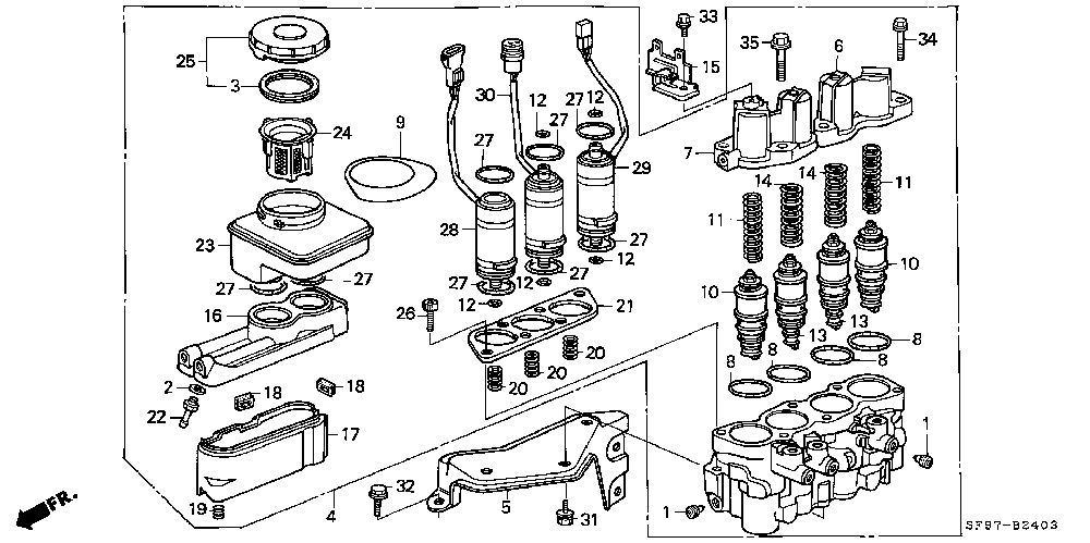
 1  SCREW, SOCKET
 2  PACKING, OIL BOLT
 3  SEAL, RESERVE TANK
 4  MODULATOR ASSY.
 5  BRACKET, MODULATOR
 6  HEAD SET A, MODULATOR
 7  HEAD SET B, MODULATOR
 8  O-RING, HEAD
 9  MARK, RESERVE TANK (A.L.B.)
10  PISTON COMP., FR.
11  SPRING, FR. MODULATOR
12  O-RING, DIVIDER
13  PISTON COMP., RR.
14  SPRING, RR. MODULATOR
15  BRACKET, COUPLER
16  HEAD, SOLENOID
17  COVER, SOLENOID
18  GROMMET, SEAL
19  SPRING, ADJUST COVER
20  SPRING, SOLENOID ADJUST
21  PLATE, SOLENOID SET
22  JOINT, PUMP
23  TANK COMP., RESERVE
24  FILTER, TANK
25  CAP COMP., RESERVE TANK
26  SCREW, HEX. SOCKET HEAD, 8X20
27  O-RING, SOLENOID
28  SOLENOID ASSY., R. FR.
29  SOLENOID ASSY., L. FR.
30  SOLENOID ASSY., RR.
31  BOLT-WASHER, 8X16
32  BOLT-WASHER, 8X16
33  BOLT-WASHER, 6X12
34  BOLT, FLANGE, 8X32
35  BOLT, FLANGE, 10X32